PCE Kupalı Anemometre | PCE-FST-200-201-I
- Stok Durumu: Stokta Var
- Ürün Kodu: PCE-FST-200-201-I
- Kargo Süresi: 5 gün
2000 TL Üzeri Alışverişlerde Ücretsiz Kargo
Tüm Kredi Kartlarına 12 Taksit İmkanı

PCE Kupalı Anemometre | PCE-FST-200-201-I
Sunduğumuz geniş test cihazları çeşitliliği, alandaki el tipi mobil testler, iş yerinizde veya tesisinizde sabit olarak kurulmuş devamlı güvenilir ölçümler veya uygulamanız için tasarlanmış tüm sistemler için kullanılabilir. Bizi aradığınızda , hemen hemen her malzeme, kuvvet veya parçacık ölçümü parametresi veya problem izolasyonu için çözümde yardımcı olabiliriz.


PCE Kupalı Anemometre | PCE-FST-200-201-U Özellikleri
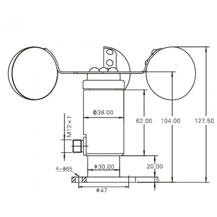
Kupalı anemometre PCE-FST-200-201-I, basit montajı ile çeşitli ölçüm cihazlarına bağlanabilir. Kupalı anemometre, en küçük hava hareketini bile algılar ve ölçüm sonucunu analog olarak iletir. Cihaz, oksidasyona karşı koruyan ve böylece paslanmayı önleyen metal alaşımdan üretilmiştir. Bu da cihazın en zorlu ortamlarda bile kullanılmasını sağlar. Hassas parçalarda bulunan contalar, cihazı sudan ve ince toz gibi diğer parçacıklardan korur.
Kupalı anemometre PCE-FST-200-201-I, en küçük rüzgar hızlarını bile algılayabilen bir kupalı anemometredir ve saniyede 0.5 metreden daha az rüzgar hızına duyarlıdır. Cihaz, farklı çıkışları bulunan farklı versiyonlarda mevcuttur. Kupalı anemometre, 4 … 20 mA ve 0 … 10V DC çıkışı ile kullanılabilir.
- Metal alaşım
- Çeşitli contalarla koruma
- Basit montaj
- Uzun ömürlü
- Analog sinyal çıkışı
- Düşük rüzgar hızlarından ölçüm
| Çıkış Sinyali | 4 ... 20 mA |
| Çalışma Voltajı | 12 ... 36 V DC |
| Ölçüm Aralığı | 0.5 m/s ... 50 m/s |
| Ölçüm | ≤ 0.5 m/s |
| Hassasiyet | ±0.5 m/s (<5 m/s) |
| Çalışma Sıcaklık Aralığı | -20 ... +85°C, ≤95 % bağıl nem |
| Maksimum Rüzgar Hızı | Maksimum 30 dakikada 70 m/s |
| Elektrik Bağlantısı | M12 |
| Koruma | IP65 |
Ürüne Ait Gönderim İstatistikleri;
Tahmini Gönderim Süresi, Ürünün Tedarik Edilme Süresine Bağlı Olarak Değişiklik
Gösterebilir.
*Cumartesi, Pazar Ve Resmi Tatiller Iş Günü Olarak Sayılmaz.
Gönderim Süreci
• Ürünlerin Gönderim Süreci, Siparişinizi Oluşturduktan Hemen Sonra, Ilgili
Bankanın Onayı Ve Güvenlik Birimimizin Kontrolünün Ardından Başlar.
• Birden Fazla Ürün Sipariş Vermeniz Halinde, Depoda Hazır Olan Ürünleriniz
Için Kısmi Teslimat Talep Edebilirsiniz. Kısmi Teslimatlar Ücretsizdir. Diğer
Ürünleriniz, Tedarik Süreçleri Tamamlandığında Kargoya Teslim Edilmektedir.
• KKTC Ve İstanbul'un Adalar Ilçesine Teslimat Yapılamamaktadır.
Kargoya Teslim Edildikten Sonra
• Siparişiniz Kargoya Teslim Edildikten Sonra Paketinizin Teslimat Süresi,
Teslimat Adresiniz Ve Kargo Şirketinin Teslimat Hızına Göre Değişiklik
Gösterebilir. Bu Süre Tamamen Kargo Şirketine Bağlıdır Ve Herhangi Bir
Müdahalemiz Bulunmamaktadır.
• Siparişinizin Kargoya Tesliminin Ardından, Size Ileteceğimiz Kargo Takip
Numarası Ile Gönderinizin Durumunu Takip Edebilirsiniz.
• Hafta Sonları Kargo Firmaları Çalışmadığı Için Kargolama Yapılamadığını
Hatırlatmak Isteriz.
Değişim Ve İade Süreci
• İade Şartlarına Uyan Tüm Ürünleri Kargoyu Teslim Alma Tarihinizden Itibaren
21 Gün Içinde Ücretsiz Olarak Iade Edebilir Veya Değişimini Isteyebilirsiniz.
• İade Ve Değişim Işlemleri Için Mutlaka Bize Bilgi Vermeniz Gerekmektedir.
İade Ve Değişim Talebi Açılmamış Siparişler Kabul Edilmemektedir.
• Ürününüzü Orijinal Kutusuyla Ve Faturasıyla Birlikte Tarafımıza
Göndermelisiniz. İadenizin Kabul Edilmesi Için, Ürünün Hasar Görmemiş Ve
Kullanılmamış Olması Gerekmektedir.
TESLİMAT MASRAFLARI VE İFASI
Malın teslimat masrafları kural
olarak Alıcı’ya aittir. Satıcı, Web Sitesi’nde teslimat ücretinin kendisince
karşılanacağını beyan etmişse teslimat masrafları Satıcı’ya ait olacaktır.
Malın teslimatı; ödemenin
gerçekleşmesinden sonra taahhüt edilen sürede yapılmakla birlikte, Yönetmelik
gereğince, teslimat süresi, Alıcı tarafından sipariş edilen ürünün ödemesinin
yapılmasından itibaren 30 (otuz) günü geçemez.
Herhangi bir nedenle Alıcı
tarafından mal veya hizmetin bedeli ödenmez veya yapılan ödeme banka
kayıtlarında iptal edilir ise, Satıcı mal veya hizmetin teslimi yükümlülüğünden
kurtulmuş kabul edilir.
Malın Satıcı tarafından kargoya
verilmesinden sonra ve fakat Alıcı tarafından teslim alınmasından önce Alıcı
tarafından yapılan sipariş iptallerinde kargo bedelinden Alıcı sorumludur.
Sipariş konusu mal ya da hizmet
ediminin yerine getirilmesinin imkansızlaştığı hallerde Satıcı bu durumu
öğrendiği tarihten itibaren 3 (üç) gün içinde Alıcı’yı bilgilendirecek ve varsa
teslimat masrafları da dâhil olmak üzere tahsil edilen tüm ödemeleri bildirim
tarihinden itibaren en geç 14 (on dört) gün içinde iade edecektir.
CAYMA HAKKI ve İADE
Alıcı, hiçbir hukuki ve cezai
sorumluluk üstlenmeksizin ve hiçbir gerekçe göstermeksizin, mal satışına
ilişkin işlemlerde teslimat tarihinden itibaren, hizmet satışına ilişkin
işlemlerde satın alma tarihinden itibaren 14 (on dört) gün içerisinde cayma hakkını
kullanabilir. Alıcı, malın teslimine kadar olan süre içinde de cayma hakkını
kullanabilir.
Alıcı, cayma hakkını Web Sitesine
girerek, Hesabım>Mevcut Sipariş>Siparişlerim üzerinden "İade
Et" bağlantısına tıklayarak kullanabilir. Alıcı’nın ilgili sayfada yer
alan iade talep formunu doldurup satıcının iade adres bilgilerini alarak, cayma
hakkını kullandığı tarihten itibaren 10 (on) gün içinde malı geri göndermesi
gerekmektedir. Mal ile beraber faturasının, malın kutusunun, ambalajının, varsa
standart aksesuarları, mal ile birlikte hediye edilen diğer ürünlerin de
eksiksiz ve hasarsız olarak iade edilmesi gerekmektedir. Alıcı, cayma süresi
içinde malı, işleyişine, teknik özelliklerine ve kullanım talimatlarına uygun
bir şekilde kullandığı takdirde meydana gelen değişiklik ve bozulmalardan
sorumlu değildir.
Alıcı iade edeceği malı Satıcı’ya
Ön Bilgilendirme Formu’nda belirtilen Satıcı’nın anlaşmalı kargo şirketi ile
gönderdiği sürece, iade kargo bedeli Satıcı’ya aittir. Alıcı’nın iade edeceği
malı Ön Bilgilendirme Formu’nda belirtilen Satıcı’nın anlaşmalı kargo şirketi
dışında bir kargo şirketi ile göndermesi halinde, iade kargo bedeli ve malın
kargo sürecinde uğrayacağı hasardan Satıcı sorumlu değildir.
Alıcı’nın cayma hakkını
kullanmasından itibaren 14 (on dört) gün içerisinde (malın Satıcı’nın iade için
belirttiği kargo firması aracılığıyla geri gönderilmesi kaydıyla), Alıcı’nın
ilgili mal veya hizmete ilişkin Satıcı veya Aracı Hizmet Sağlayıcı’ya yaptığı
tüm ödemeler Alıcı’ya satın alırken kullandığı ödeme aracına uygun bir şekilde
ve tüketiciye herhangi bir masraf veya yükümlülük getirmeden iade edilecektir.
Kredi kullanılarak yapılan alışverişlerde, cayma hakkının usulüne uygun
kullanıldığı durumlarda ürün bedeli kredi ile ilişkili hesaba iade edilecektir.